
Бренд
GROHE
Тип
инсталляция
Назначение
для унитаза
Тип унитаза
подвесной
Дополнительная информация
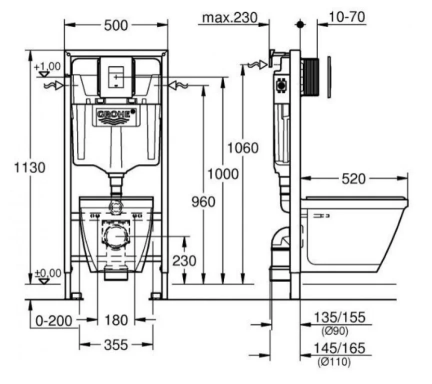
режимы смыва: 3 режима смыва: 2-х объёмный, старт/стоп или непрерывный; максимальное давление, бар: 5 бар; монтажная высота, м: 1,13 м (регулируется), монтажная глубина: 15 см (регулируется); объем слива: малый 3 - 4,5 л; большой 5,5 - 9 л; обе - 9 л; также можно регулировать по желанию; рекомендованное минимальное давление (бар): 0,5 бар; расстояние между держателями унитаза: 18 см, 23 см
Механизм слива
две кнопки (полный слив/эконом)
Размеры
1130х500х750 мм
Комплектация
инсталляция, панель смыва, унитаз, сиденье
Сиденье в комплекте
есть
Крепление
в капитальную стену
Объем бачка
9 л
Подвод воды
слева, справа